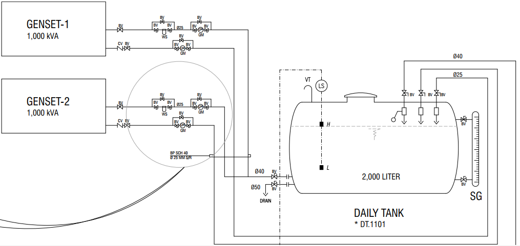
Mengenal Sistem Daily Tank: Jantung Distribusi Bahan Bakar Genset
Dalam sistem mekanikal elektrikal (MEP), Daily Tank atau tangki harian memegang peranan krusial sebagai penyedia bahan bakar siap pakai untuk mesin diesel generator (Genset). Kapasitas yang umum digunakan, seperti 2.000 liter, dirancang untuk memastikan operasional Genset tetap stabil selama beberapa jam sebelum perlu diisi ulang dari tangki utama.
Komponen Utama dan Instrumen Pengendali
Sebuah Daily Tank yang ideal tidak hanya sekadar wadah penyimpanan, tetapi dilengkapi dengan berbagai instrumen untuk keamanan dan kemudahan monitoring:
- Sight Glass (Level Gauge): Berfungsi sebagai indikator visual manual agar operator dapat melihat ketinggian solar di dalam tangki secara langsung tanpa harus membuka tutup tangki.
- Level Switch (LS): Komponen otomatis yang mendeteksi titik High (H) dan Low (L) untuk mengatur pompa transfer bahan bakar secara otomatis.
- Vent Tube (VT): Pipa udara yang menjaga tekanan di dalam tangki tetap seimbang dengan tekanan atmosfer, mencegah terjadinya vakum atau tekanan berlebih.

Skema Jalur Masuk (Inlet)
Tangki harian berfungsi sebagai titik temu berbagai jalur pengisian dan sirkulasi:
- Jalur Masuk dari Weekly/Main Tank: Jalur utama pengisian solar yang dikontrol oleh pompa transfer berdasarkan sinyal dari Level Switch.
- Jalur Return Genset 1 & 2: Solar yang tidak terbakar di ruang mesin akan dialirkan kembali ke Daily Tank. Jalur balik ini juga berfungsi mendinginkan suhu komponen injektor pada mesin.
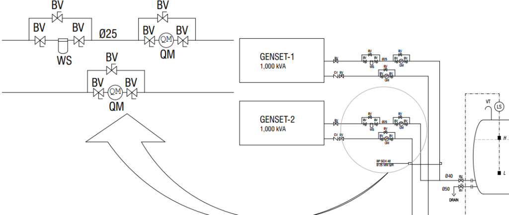
Jalur Distribusi dan Proteksi Bahan Bakar
Untuk menjaga performa mesin Genset berkapasitas besar (seperti unit 1.000 kVA), jalur keluar bahan bakar dilengkapi dengan perangkat tambahan:
- Water Separator (WS): Alat ini sangat vital untuk memisahkan kandungan air dan sedimen dari solar sebelum masuk ke mesin. Air dalam bahan bakar dapat menyebabkan korosi dan kerusakan serius pada sistem pembakaran mesin diesel.
- Fuel Flow Meter (QM): Instrumen untuk mengukur volume konsumsi solar secara akurat. Dengan alat ini, tim engineering dapat menghitung efisiensi bahan bakar dan merencanakan jadwal pengisian ulang.
- Check Valve (CV): Memastikan solar mengalir satu arah dan mencegah jalur pipa menjadi kosong saat mesin tidak beroperasi.

Aspek Pemeliharaan: Jalur Drain
Setiap Daily Tank wajib memiliki Jalur Drain di titik terendah tangki. Jalur ini digunakan untuk menguras endapan lumpur (sludge) atau akumulasi air yang mengendap di dasar tangki akibat proses kondensasi. Pembersihan rutin melalui jalur drain akan memperpanjang umur filter solar dan menjaga kualitas pembakaran mesin.